Industrieelektronik Produkte
Ruppersthal 158 - 3701 Gross Weikersdorf
Tel.: +43(2955)71736 - Fax: +43(2955)71738
office@wh-elektronik.at
Startseite       Unsere Firma       Produkte       Fragen & Antworten       Kontakt       Datenschutz       Impressum/AGB

Startseite | Produkte | DMS - Kraftaufnehmer - DMS-Z-Aufnehmer
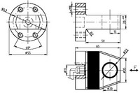
Kraftaufnehmer DZA-55-20-1.XX

 

Kraftaufnehmer DZA-55-20-1.XX



Der Kraftaufnehmer erfasst Zug- und Druckkräfte in Richtung seiner Längsachse.

Es können die Kräfte an Zylindern, Hebeln, Plattformen und Maschinenteilen gemessen werden.

Er ist als Öse mit einem Flansch und dazwischenliegender Messkammer ausgeführt. Die Montage erfolgt über die vier Gweindebohrungen M8 im Flansch. Die andere Seite der Krafteinleitung ist die Öse mit einem Durchmesser 20mm.

Der Applikationsraum für den Dehnmessstreifen (DMS) ist mit einer hochelastischen Masse vergossen und somit vor mechanischen und chemischen Beschädigungen geschützt.

DMS-Vollbrücke misst in der Messkammer die durch Zug- oder/und Druckkräfte auf den Aufnehmer hervorgerufene Verformung. Es sind Ausführungen mit Brückenausgang oder Verstärker mit einem Messsignal von 4-20mA bzw. 1-9mA möglich.

Bei Einsatz eines Verstärkers kann im unbelasteten Zustand durch Zuschalten des Kalibrierchecksignals (Softwarekalibrierung) der Nennausgangsstrom erzeugt werden. Damit ist eine Überprüfung des Kraftaufnehmers mit seinem Verstärker und der nachfolgenden Messeinrichtung möglich.

Der DZA-55 ist je nach Ausführung für den direkten Anschluss an einen Verstärker oder eine Steuerung vorgesehen.

Mechanische Ausführung:
Gewicht: ca. 500g, Abmessung Durchmesser= 55mm, Höhe 65mm, Befestigung 4x Gewinde M8, Material Stahl, Schutzart IP67.
Nennkraft 20kN (andere Kräfte auf Anfrage)
max. Gebrauchskraft 150% von der Nennkraft, Bruchkraft 500% von der Nennkraft.

Elektrische Ausführung:
Betriebsspannung bei Brücke mit 350 Ohm max. 12VAC/DC, bei Verstärker 9...30VDC, Stromaufnahme max. 35mA/45mA je nach Ausführung.
Ausgang/Messsignal 350 Ohm/ 4-20mA/ 1-9mA (Option)
Kalibriertoleranz kleiner 1% vom Endwert (diese Angaben sind abhängig von Passung, Widerstandsmoment und Einspannlänge. Sie werden bei günstigen Werten erreicht).

Betriebsbedingungen -25°C...+80°C
Anschlusskabel 1,5m LiYCY 4x0,14mm²

Email Anfrage zu diesem Produkt:

Ihr Name:
Firmenname:
Email-Adresse:
Ihre Nachricht:
Sicherheitscode:
Sicherheitscode eingeben:
Datenschutz:
 
 

< Zurück zur Übersicht (Produkte - DMS - Kraftaufnehmer - DMS-Z-Aufnehmer)

© 2026 by melwindesign.com