Industrieelektronik Produkte
Ruppersthal 158 - 3701 Gross Weikersdorf
Tel.: +43(2955)71736 - Fax: +43(2955)71738
office@wh-elektronik.at
Startseite       Unsere Firma       Produkte       Fragen & Antworten       Kontakt       Datenschutz       Impressum/AGB

Startseite | Produkte | DMS - Kraftaufnehmer - Druckkraftaufnehmer
Kraftaufnehmer RMA-142-12,5t-1.53

 

Kraftaufnehmer RMA-142-12,5t-1.53



Der Kraftaufnehmer arbeitet nach dem Prinzip der Druckkraftmessung.
Der RMA eignet sich zur Messung zentrisch wirkender Kräfte,
beispielsweise zur Gewichtsbestimmung von Maschienengestellen, Ermittlung von Aufhängungslasten oder Verspannungen.

An der Oberseite befinden sich im äußeren Ring zwei Nuten, die zur Lagesicherung genutzt werden können. Die innere Auflage ist erhaben und dient der zentrischen Krafteinleitung.

Der Applikationsraum für den Dehnmessstreifen (DMS) ist mit einer hochelastischen Masse vergossen und so vor mecanischen und chemischen Beschädigungen geschützt.

Im unbelasteten Zustand kann durch Zuschalten des Kalibrierchecksignals (Softwarekalibrierung) der Nennausgangsstrom erzeugt werden.
Damit ist eine Überprüfung des Bolzens mit seinem Verstärker und der nachfolgenden Messeinrichtung möglich.

Der RMA-142 ist für den direkten Anschluss an eine Steuerung oder Komparatorschaltung vorgesehen.
Der Schirm des Zuleitungskabels ist grundsätzlich nicht mit der Oberfläche des Kraftaufnehmers verbunden.

Mechanische Ausführung:
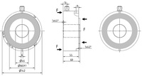
Abmessung, Krafteinleitung und Befestigung siehe Einbauzeichnung.
Gewicht: ca. 4,64 kg
Material: Edelstahl
Schutzart: IP67
Nennkraft/Nennlast: 12,5t oder auf Anfrage
max. Gebrauchskraft: 150% von der Nennkraft
Bruchkraft: 400% von der Nennkraft

Elektrische Ausführung:
Messsignal 4...20mA (Bürde max. 500 Ohm)
Betriebsspannung: 12-24VDC +/-20%
Stromaufnahme: max. 45mA
Kalibriertoleranz: < 0,50% vom Endwert*
Nichtlinearität: < 0,50% vom Endwert*
Hysterese: < 0,20% vom Endwert*
Temperaturfehler Nullpunkt: kleiner/gleich 0,04% vom Endwert/K
Temperaturfehler Empfindlichkeit: kleiner/gleich 0,04% vom Sollwert/K
Isolationswiderstand: > 5000 MOhm
Nenntemperaturbereich: -15°C bis +70°C
Gebrauchstemperatur: -25°C bis +80°C **
Kabel: 15m SABIX 4x0,25mm²

* diese Werte sind abhängig von Passung, Widerstandsmoment und Einspannlänge. Sie werden bei güstigen Werten erreicht.
** bei fest verlegtem Kabel


Email Anfrage zu diesem Produkt:

Ihr Name:
Firmenname:
Email-Adresse:
Ihre Nachricht:
Sicherheitscode:
Sicherheitscode eingeben:
Datenschutz:
 
 

< Zurück zur Übersicht (Produkte - DMS - Kraftaufnehmer - Druckkraftaufnehmer)

© 2026 by melwindesign.com