Industrieelektronik Produkte
Ruppersthal 158 - 3701 Gross Weikersdorf
Tel.: +43(2955)71736 - Fax: +43(2955)71738
office@wh-elektronik.at
Startseite       Unsere Firma       Produkte       Fragen & Antworten       Kontakt       Datenschutz       Impressum/AGB

Startseite | Produkte | DMS - Kraftaufnehmer - Zubehör
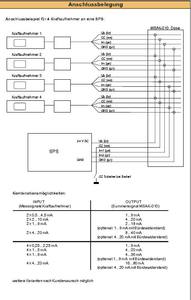
Summenbildung MSAK-010

 

Summenbildung MSAK-010



Summenbildung und Anschlussdose MSAK-010 für Kraftaufnehmer mit Stromausgang.

Die MSAK-Dose dient zum Setzen einer Klemmverbindung zwischen Kraftaufnehmern (Sensoren) mit Stromausgangssignal und einer Auswerteelektronik, wenn zwischen beiden eine große Strecke überwunden werden muss. Oder wenn eine Summenbildung von mehreren Krafaufnehmern auf ein gemeinsames Summensignal z.B. 4....20mA erfolgen soll.



Email Anfrage zu diesem Produkt:

Ihr Name:
Firmenname:
Email-Adresse:
Ihre Nachricht:
Sicherheitscode:
Sicherheitscode eingeben:
Datenschutz:
 
 

< Zurück zur Übersicht (Produkte - DMS - Kraftaufnehmer - Zubehör)

© 2026 by melwindesign.com